Flight Control, UAV Systems and Applied Robotics

Applied engineering projects in flight control, UAV/UAS, robotics and autonomous systems: flight dynamics, autopilots, telemetry analytics, MATLAB/Simulink, Python, machine learning and computer vision.

Applied Flight Control & ML

Sergey Teterin

Flight Control & UAV Systems Engineer — 20+ years in aircraft/helicopter control systems, flight dynamics, autopilots and guidance. Integrating ML & Computer Vision into aerospace and robotics.
Open to remote worldwide Flight Dynamics • Autopilots • GNC UAV Logistics • Mission Quoting • SLA Engineering + ML/CV + Robotics

I work at the intersection of classical control theory, flight dynamics and modern machine learning. My experience includes development and validation of flight control laws, real-time and hardware-in-the-loop simulation, trajectory planning, sensor fusion and ML/CV-based perception and telemetry analytics. I also work on UAV delivery operations: mission quoting, SLA-driven planning and unit economics for repeatable routes.

About
Flight control, UAVs, robotics and applied machine learning.

I’m a Flight Control and UAV Systems Engineer with more than 20 years of experience in aircraft and helicopter control systems, flight dynamics and autopilot algorithms.

I design and validate control laws for fixed-wing aircraft, rotorcraft and UAVs; build dynamic flight models and simulation environments; and apply Machine Learning / Computer Vision to navigation, object tracking, perception and telemetry analytics.

I enjoy working on challenging, cross-disciplinary problems where physics, control theory and data meet real-world systems.

Open to remote opportunities worldwide — full-time, part-time or consulting.

More detailed portfolio and earlier projects: matlabwork.com

Core skill set
Selected skills used in recent projects.
Flight Control Systems
Flight Dynamics & Simulation
Autopilot Algorithms
UAV / UAS
Guidance, Navigation & Control
Control Theory
MATLAB / Simulink
Python
C / C++
Machine Learning
Computer Vision
Sensor Fusion
Embedded Systems / µControllers
Robotics
Data Analysis
CUDA
Selected engineering projects
Representative work across flight control, UAVs, ML/CV and autonomous systems.
Portfolio cases
Short, high-level view of selected projects. Click on a project to see details.
Autonomous UAV preview
Autonomous UAV Control System & Flight Dynamics Simulation (MATLAB)
Conceptual passenger UAV · control laws, dynamics, simulation

Flight dynamics model, control laws and simulations for an autonomous tiltrotor UAV (eVTOL) using MATLAB/Simulink and Python.

MATLAB / Simulink UAV / eVTOL Flight Dynamics Autopilot
Solar-powered UAV preview
Development of a Solar-Powered UAV Prototype
Long-endurance UAV · energy balance, guidance & control

Control algorithms and energy-aware trajectory planning for a solar-powered long-endurance UAV with modelling of power balance and mission profiles.

Solar UAV Energy-aware control MATLAB / Simulink UAV prototyping
UAV delivery optimization preview
UAV Delivery Mission Optimization
Mission quoting · route constraints · unit economics & SLA

Delivery-focused mission modeling: cost/time estimation, constraints & risk factors, platform selection (multirotor/VTOL/fixed-wing) and operational KPI design.

UAV Logistics Mission Optimization Unit Economics SLA / Ops Simulation
MC-21 flight control preview
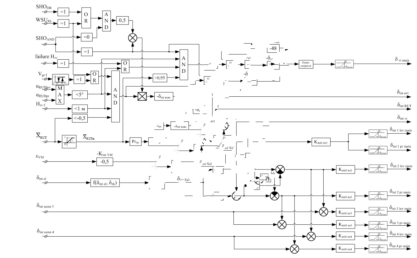
Flight Control System Algorithms · MC-21 Passenger Aircraft
Commercial airliner · control laws, modelling, test support

Design and tuning of flight control laws for a MC-21 class passenger aircraft: modelling, stability and handling analysis, simulator and flight test support.

Flight Control System Passenger aircraft Flight Dynamics MATLAB / Simulink
Flight control & dynamics
Aircraft, VTOL and UAV systems
Passenger aircraft flight control system
Development and tuning of control laws, flight dynamics modelling, stability and handling-quality analysis, participation in simulation and testing.
Passenger VTOL / eVTOL concept
Conceptual flight control, transition and trajectory control, landing on a moving platform, simulation of urban air-taxi operations.
Solar-powered UAV
Development and testing of control algorithms for long-endurance solar UAV, including guidance, speed control and energy-aware trajectories.
Trajectory control & landing on moving platform
Modelling and simulation of approach, speed control and landing on moving deck/platform, including VTOL configurations.
ML, CV & telemetry analytics
Perception & data-driven systems
UAV camera object tracking
ML/CV pipeline for object detection and tracking in video, integration with guidance and navigation loops.
Telemetry & sensor data analytics
Processing of flight logs and sensor streams (Python), anomaly detection, performance metrics, dashboards for engineers and pilots.
Group behaviour & UAV swarms
Estimation and prediction of group behaviour in UAV-to-UAV interactions and swarms, simulation of cooperative scenarios.
Pilot performance evaluation systems
Algorithms and metrics for pilot actions and performance assessment based on telemetry and simulator data.
Applied tools & experiments
Experiments with real-time data, automation and text analysis.

EXAMPLES

  • Kaggle forum alerts – notifications on new topics in the Kaggle ML forum.
  • Media comments analysis – extracting opinions and theses from comment streams.
  • Art on e-commerce platforms – selection of paintings by price, size and time listed.
  • Change.org petitions – filtering petitions by specific phrases / topics.
  • Economic calendar alerts – notifying before high-impact macro events, with historical data since 2011.
  • Tattoo photography feed – daily selection of artistic photos from open sources.
  • MATLAB & Simulink blog feed – daily digest of MathWorks engineering posts.
Inspiration
A few signals from outside engineering that shape how I think about systems and people.

SOURCES

  • Science-fiction films and short stories focused on people inside complex systems.
  • Music videos with strong visual language and motion.
  • Art and photography that explore cities, infrastructure and landscapes.
  • Classical and modern literature, philosophy, essays on technology and society.

Outside of engineering I paint city and landscape scenes on canvas; some of this aesthetic finds its way back into how I design and think about systems.

More about me
Engineering background and parallel interests.
Profile

Aviation specialist and professional control systems engineer. I combine classical control theory, flight dynamics, embedded development and ML/CV to build practical solutions in aerospace and robotics.

Experience includes Android development (Android Studio, MATLAB), microcontroller programming and sensor integration, parallel computations on servers and cloud platforms (Azure, AWS), and web applications for data visualisation and control.

I’m also a volunteer with the “House with a Lighthouse” hospice foundation.

Art & side projects
Non-engineering work that complements the technical side.
Painting

In my free time I paint cityscapes and landscapes (oil on canvas): river views, street scenes, architecture and small towns. This visual practice helps with thinking about composition, structure and dynamics — in both images and systems.

Robotics & experiments

I enjoy building small experimental robots and simulation setups to explore control strategies, sensing and autonomy in a tangible way.

Contact & collaboration
Open to remote collaboration worldwide — aerospace, UAV, robotics and applied ML/CV projects.

If you are working on flight control systems, UAVs, autonomous vehicles or robotics and need support with control, dynamics, simulation or ML/CV, feel free to reach out.

I can help with:

  • Design and review of flight control laws, guidance and navigation algorithms.
  • Building and validating flight dynamics models and simulation environments.
  • Integrating ML/CV components into navigation, tracking and telemetry analysis pipelines.
  • Technical consulting, mentoring and architecture/algorithm reviews.

You can reach me via:
LinkedIn: linkedin.com/in/devorvant
Email: devorvant@gmail.com
Telegram: @devorvant

Portfolio / legacy projects: matlabwork.com